发表时间:2021-07-05 阅读量: 作者:御茨小编
ZPT系列精密转向器是一种高精密行星式减速机,输出力矩在35Nm~340Nm,单级减速比在3/4/5/6/7/8/10/14/20,双极减速比包括12/16/20/25/28/32/35/40/50/56/70/80/100/140,三级速比为80/100/125/128/140/160/175/200/224/250/280/320/350/400/500/560/700,回程间隙为12arc-min~18arc-min。 精密转向器多数应用在数控机床、机器人、机械手臂、精密测试仪器等等上面。
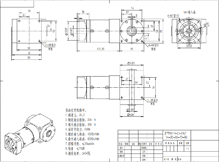
广西客户周总在我司技术沟通后,选择了一款型号65,速比为20比的精密转向器。下面是选好的减速器图纸,技术方面可查看。

精密转向器,体积小巧,安装便利,使用起来也比较灵活,如果您对“精密转向器”感兴趣或者有疑问,欢迎致电18116258006 ,御茨智能---您全程贴心采购顾问,一站式整体服务商,竭诚为您服务!